Ten artykuł to kompleksowy przewodnik, który pomoże Ci zlokalizować przekaźnik wentylatora chłodnicy w Twoim samochodzie, zrozumieć jego rolę, rozpoznać objawy awarii i samodzielnie przeprowadzić prostą diagnostykę. Dzięki precyzyjnym wskazówkom i praktycznym poradom dowiesz się, jak rozwiązać problem przegrzewającego się silnika i uniknąć kosztownych wizyt u mechanika.
Przekaźnik wentylatora chłodnicy znajdziesz najczęściej w skrzynce bezpieczników pod maską sprawdź, jak go zlokalizować i zdiagnozować.
- Najczęstsze lokalizacje to skrzynka bezpieczników w komorze silnika (VW, Opel, Ford) lub zintegrowany moduł na obudowie wentylatora (auta francuskie).
- W nowoczesnych pojazdach przekaźnik może być częścią modułu komfortu (BCM) lub sterownika silnika (ECU).
- Typowe objawy awarii to wentylator, który nie włącza się (przegrzewanie silnika) lub pracuje bez przerwy.
- Prosta diagnostyka obejmuje zamianę z innym przekaźnikiem lub pomiar multimetrem.
- Koszt nowego przekaźnika to zazwyczaj 20-100 zł, co czyni samodzielną wymianę atrakcyjną opcją.
Rola przekaźnika w układzie chłodzenia: czym jest i za co odpowiada?
Zacznijmy od podstaw. Przekaźnik wentylatora chłodnicy to nic innego jak elektromechaniczny przełącznik, który pełni kluczową rolę w układzie chłodzenia silnika. Jego głównym zadaniem jest załączanie i wyłączanie wentylatora chłodnicy w odpowiednim momencie. Kiedy czujnik temperatury płynu chłodzącego wykryje, że silnik osiągnął zbyt wysoką temperaturę co często ma miejsce podczas postoju w korku lub wolnej jazdy wysyła sygnał do sterownika silnika (ECU), a ten z kolei aktywuje przekaźnik. Przekaźnik, niczym strażnik, otwiera obwód zasilający wentylator, pozwalając mu na pracę i obniżenie temperatury płynu. Bez sprawnego przekaźnika wentylator nie otrzymałby zasilania, a silnik byłby narażony na przegrzanie.
Przegrzewający się silnik w korku? To może być klasyczny objaw awarii
Jednym z najbardziej klasycznych i jednocześnie niepokojących objawów uszkodzonego przekaźnika wentylatora jest przegrzewanie się silnika, zwłaszcza w warunkach miejskich. Wyobraź sobie sytuację: stoisz w korku, temperatura na zewnątrz wysoka, a wskaźnik temperatury płynu chłodzącego niebezpiecznie pnie się w górę. Wentylator chłodnicy, który powinien w takiej sytuacji włączyć się i schłodzić silnik, milczy. To niemal podręcznikowy przykład awarii przekaźnika. Ignorowanie tego problemu może prowadzić do poważnych i kosztownych uszkodzeń silnika, takich jak wypalenie uszczelki pod głowicą czy nawet trwałe odkształcenie głowicy. Dlatego tak ważne jest, aby szybko zdiagnozować i usunąć usterkę.
Inne symptomy, których nie możesz ignorować: wentylator pracuje non-stop lub nie włącza się wcale
- Wentylator chłodnicy nie włącza się, co prowadzi do przegrzewania się silnika, zwłaszcza w korkach lub podczas wolnej jazdy. Jak już wspomniałem, to najczęstszy i najbardziej niebezpieczny objaw.
- Wentylator chłodnicy pracuje bez przerwy, nawet po wyłączeniu silnika. To również sygnał, że przekaźnik mógł się "zaciąć" w pozycji zamkniętej. Skutkiem może być rozładowany akumulator, co jest szczególnie uciążliwe.
- Wentylator działa tylko na jednym biegu (jeśli jest to układ wielobiegowy). Wiele nowoczesnych samochodów ma wentylatory z dwoma lub więcej prędkościami. Jeśli wentylator włącza się tylko na najwyższym biegu, a niższe nie działają, może to wskazywać na problem z konkretnym przekaźnikiem lub rezystorem odpowiedzialnym za dany bieg.
- Słyszalne "cykanie" lub "klikanie" z okolic skrzynki bezpieczników bez uruchomienia wentylatora. Jeśli słyszysz, że przekaźnik próbuje się załączyć (charakterystyczne kliknięcie), ale wentylator nie startuje, może to oznaczać, że cewka przekaźnika działa, ale jego styki robocze są uszkodzone lub przepalone.

Gdzie znajdziesz przekaźnik wentylatora chłodnicy? Przewodnik po lokalizacjach
Lokalizacja przekaźnika wentylatora chłodnicy może się różnić w zależności od modelu i rocznika samochodu. Z mojego doświadczenia wynika, że są pewne standardowe miejsca, od których zawsze warto zacząć poszukiwania.
Miejsce nr 1: Skrzynka bezpieczników w komorze silnika (VW, Opel, Ford)
To zdecydowanie najczęstsza lokalizacja, którą powinienem wskazać jako pierwszy punkt do sprawdzenia. W większości popularnych w Polsce samochodów, takich jak modele z Grupy VW (Golf, Passat, Octavia), Opel (Astra, Vectra) czy Ford (Focus, Mondeo), przekaźnik wentylatora chłodnicy znajdziesz w głównej skrzynce bezpieczników i przekaźników, umieszczonej w komorze silnika. Zazwyczaj jest ona łatwo dostępna, często pod plastikową osłoną. Otwórz ją i poszukaj schematu na wewnętrznej stronie pokrywy to Twoja mapa skarbów.
Miejsce nr 2: Zintegrowany moduł na obudowie wentylatora (auta francuskie i nie tylko)
W niektórych pojazdach, zwłaszcza tych produkcji francuskiej, takich jak Renault, Peugeot czy Citroën, producenci stosują nieco inne rozwiązanie. Przekaźnik wentylatora chłodnicy może być częścią zintegrowanego modułu sterującego wentylatorami, często nazywanego rezystorem lub opornicą dmuchawy. Ten moduł jest zazwyczaj montowany bezpośrednio na obudowie chłodnicy lub samego wentylatora. Dostęp do niego bywa nieco trudniejszy, ale za to jest to bardzo logiczne i zwarte umiejscowienie.
Miejsce nr 3: Ukryte lokalizacje w starszych modelach: gdzie jeszcze warto szukać?
W starszych rocznikach samochodów, zanim elektronika stała się tak zintegrowana, przekaźniki często były rozmieszczone w mniej oczywistych miejscach. Czasami przekaźnik wentylatora chłodnicy można znaleźć jako osobny element przykręcony do karoserii, zazwyczaj w pobliżu akumulatora lub samej chłodnicy. Warto wtedy dokładnie obejrzeć te okolice, szukając małej, prostokątnej kostki z kilkoma przewodami.
Nowoczesne samochody: kiedy przekaźnik jest częścią większego modułu (ECU/BCM)?
W dzisiejszych, coraz bardziej zaawansowanych technologicznie samochodach, funkcja tradycyjnego przekaźnika wentylatora bywa przejmowana przez bardziej złożone układy. Mówię tu o modułach komfortu (BCM - Body Control Module) lub sterownikach silnika (ECU - Engine Control Unit). W takich przypadkach przekaźnik nie jest już osobną, wymienną częścią, a jego funkcjonalność jest zaszyta w oprogramowaniu i sprzęcie większego modułu. To oczywiście komplikuje samodzielną wymianę i często wymaga specjalistycznej diagnostyki komputerowej w warsztacie.

Jak zidentyfikować właściwy przekaźnik wentylatora? Praktyczne wskazówki
Znalezienie skrzynki bezpieczników to dopiero początek. Teraz musimy zidentyfikować, który z wielu przekaźników odpowiada za wentylator chłodnicy. To może być wyzwanie, ale mam dla Ciebie kilka sprawdzonych metod.
Odczytywanie schematów na pokrywie skrzynki bezpieczników: na co zwrócić uwagę?
Zawsze zaczynam od dokładnego przestudiowania schematu, który zazwyczaj znajduje się na wewnętrznej stronie pokrywy skrzynki bezpieczników. Producenci samochodów umieszczają tam graficzne oznaczenia lub numery, które pomagają zidentyfikować poszczególne bezpieczniki i przekaźniki. Szukaj symboli wentylatora (często stylizowana śmigiełko), oznaczeń związanych z chłodzeniem, takich jak "FAN", "COOLING FAN", "VENTILATOR" lub po prostu numerów przekaźników, które są wymienione w instrukcji obsługi pojazdu. Czasem schemat jest bardzo czytelny, innym razem wymaga odrobiny detektywistycznej pracy.
Oznaczenia i kolory przekaźników: czy mają znaczenie?
Często klienci pytają mnie, czy kolor przekaźnika ma znaczenie. Moja odpowiedź jest zawsze taka sama: kolor może być wskazówką, ale nie jest decydujący. Często wskazuje on na producenta lub typ przekaźnika, ale nie zawsze na jego konkretną funkcję. To, co jest naprawdę ważne, to parametry elektryczne (napięcie, prąd, liczba styków) oraz układ pinów. Przekaźniki o tych samych parametrach i układzie pinów, ale w różnych kolorach, mogą być zamienne. Zawsze upewnij się, że nowy przekaźnik ma identyczne oznaczenia prądowe i napięciowe oraz dokładnie ten sam układ pinów co oryginalny.
Co robić, gdy brakuje schematu? Sprawdzone metody poszukiwawcze
Co, jeśli na pokrywie skrzynki brakuje schematu lub jest on nieczytelny? Nie panikuj, są inne sposoby:
- Instrukcja obsługi pojazdu: To często niedoceniane źródło wiedzy. W instrukcji znajdziesz szczegółowe schematy i opisy wszystkich bezpieczników i przekaźników.
- Fora internetowe i grupy motoryzacyjne: Społeczność internetowa to potęga! Wyszukaj frazy takie jak "przekaźnik wentylatora Golf 4", "Astra H przekaźnik wentylatora" czy "Focus MK2 gdzie jest przekaźnik". Z pewnością znajdziesz tam zdjęcia i dokładne lokalizacje od innych użytkowników.
- Wizualne porównanie: Jeśli masz podejrzenie, który przekaźnik jest winowajcą, możesz spróbować go porównać z innymi, identycznymi przekaźnikami w skrzynce. Często przekaźniki o podobnych funkcjach (np. klakson, światła przeciwmgielne) są takie same.
- Katalogi części online: W wielu sklepach internetowych z częściami samochodowymi, po wpisaniu danych pojazdu, możesz znaleźć schematy lub zdjęcia, które pomogą Ci zlokalizować odpowiedni element.
Prosta diagnostyka w 5 minut: sprawdź, czy przekaźnik jest uszkodzony
Zanim pobiegniesz do sklepu po nowy przekaźnik, warto upewnić się, że to właśnie on jest przyczyną problemu. Mam dla Ciebie kilka prostych metod diagnostycznych, które możesz wykonać samodzielnie.
Metoda na "zamianę": najszybszy test bez użycia narzędzi
To moja ulubiona metoda, bo jest szybka, prosta i nie wymaga żadnych narzędzi. Oto jak to zrobić:
- Zlokalizuj podejrzany przekaźnik wentylatora chłodnicy, korzystając ze schematu lub wskazówek, o których mówiłem wcześniej.
- Znajdź w tej samej skrzynce inny, identyczny przekaźnik. Często przekaźniki od klaksonu, świateł przeciwmgielnych, czy innych mniej krytycznych obwodów są takie same. Upewnij się, że mają identyczne oznaczenia (napięcie, prąd) i układ pinów.
- Wyjmij podejrzany przekaźnik wentylatora. Ostrożnie, ale zdecydowanie pociągnij go do góry.
- Włóż przekaźnik z innego obwodu w miejsce przekaźnika wentylatora.
- Sprawdź działanie wentylatora. Włącz silnik i poczekaj, aż osiągnie temperaturę roboczą, lub włącz klimatyzację (często wymusza to pracę wentylatora). Jeśli wentylator zacznie działać, oznacza to, że oryginalny przekaźnik był uszkodzony.
- Włóż podejrzany przekaźnik w miejsce tego, który wyjąłeś (np. od klaksonu). Jeśli teraz klakson nie działa, masz pewność, że przekaźnik jest uszkodzony.
Mostkowanie pinów dla zaawansowanych: jak to zrobić bezpiecznie?
Metoda "mostkowania" polega na bezpośrednim złączeniu odpowiednich pinów w gnieździe przekaźnika za pomocą kawałka przewodu. To powinno uruchomić wentylator, potwierdzając, że silnik wentylatora i jego okablowanie są sprawne. Jest to metoda dla zaawansowanych użytkowników, którzy doskonale rozumieją schematy elektryczne swojego samochodu. Musisz wiedzieć, które piny odpowiadają za zasilanie wentylatora, a które za sterowanie. Niewłaściwe podłączenie może spowodować zwarcie, uszkodzenie instalacji elektrycznej, a nawet sterownika silnika (ECU). Zawsze upewnij się, że wiesz, co robisz, i używaj bezpiecznika w obwodzie mostkującym, aby zminimalizować ryzyko.
Kiedy warto sięgnąć po multimetr? Krok po kroku, jak zmierzyć przekaźnik
Multimetr to narzędzie, które pozwala na precyzyjną diagnostykę, gdy metoda na "zamianę" nie daje jednoznacznych wyników lub chcesz mieć 100% pewności. Oto jak sprawdzić przekaźnik:
- Wyjmij przekaźnik z gniazda.
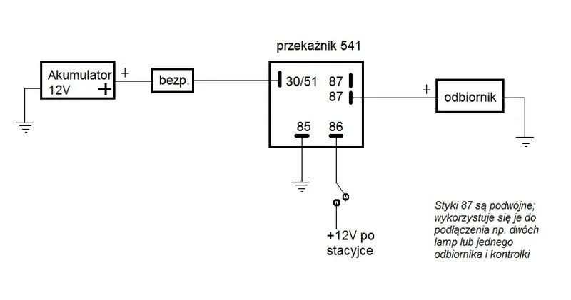
- Ustaw multimetr na pomiar rezystancji (Ω). Zmierz rezystancję cewki przekaźnika (zazwyczaj piny 85 i 86). Powinieneś uzyskać wartość kilku do kilkudziesięciu omów. Brak odczytu (nieskończona rezystancja) oznacza przerwę w cewce, czyli uszkodzenie.
- Ustaw multimetr na pomiar ciągłości (brzęczyk). Sprawdź ciągłość styków roboczych przekaźnika (zazwyczaj piny 30 i 87 lub 87a). Bez podania napięcia na cewkę, między pinami 30 i 87 nie powinno być ciągłości (przekaźnik jest otwarty). Jeśli jest ciągłość, styki są "sklejone" (uszkodzenie).
- Podaj napięcie na cewkę przekaźnika (np. z akumulatora samochodowego, piny 85 i 86). Powinieneś usłyszeć charakterystyczne "kliknięcie".
- Ponownie zmierz ciągłość między pinami 30 i 87. Po podaniu napięcia na cewkę, przekaźnik powinien się załączyć, a multimetr powinien wskazać ciągłość (lub bardzo niską rezystancję). Jeśli nie ma ciągłości, styki robocze są uszkodzone.
Wymiana przekaźnika wentylatora: zrób to sam czy zleć mechanikowi?
Po zdiagnozowaniu uszkodzonego przekaźnika stajesz przed wyborem: wymienić go samodzielnie czy oddać auto do warsztatu? Oba rozwiązania mają swoje plusy i minusy.
Ile kosztuje nowy przekaźnik i gdzie go kupić? Porównanie oryginału z zamiennikiem
Dobrą wiadomością jest to, że koszt nowego przekaźnika wentylatora jest zazwyczaj stosunkowo niski. Dla popularnych modeli aut, ceny wahają się od 20 do 100 zł. Jeśli jednak Twój samochód ma zintegrowany moduł sterujący wentylatorami, koszt może być znacznie wyższy, rzędu 200-600 zł. Zawsze masz wybór między oryginalną częścią a zamiennikiem. Oryginał często oferuje lepszą jakość i dłuższą gwarancję, ale zamienniki renomowanych producentów (np. Hella, Bosch, Febi) również są godne polecenia i znacznie tańsze. Części kupisz w sklepach motoryzacyjnych, na internetowych platformach sprzedażowych (Allegro, Olx) lub w autoryzowanych serwisach, jeśli zależy Ci na oryginale.
Kiedy samodzielna wymiana ma sens, a kiedy lepiej odpuścić?
Samodzielna wymiana ma sens, gdy przekaźnik jest łatwo dostępny (np. w skrzynce bezpieczników pod maską) i jest to prosta operacja typu "plug & play". W takim przypadku oszczędzasz na robociźnie, która w warsztacie wynosi zazwyczaj od 50 do 150 zł. Jeśli jednak masz do czynienia ze zintegrowanym modułem, który wymaga demontażu wielu elementów, adaptacji komputerowej po wymianie, lub po prostu nie masz pewności co do diagnozy, lepiej zlecić to mechanikowi. Unikniesz w ten sposób potencjalnych uszkodzeń i dodatkowych kosztów.
Przeczytaj również: Jak bezpiecznie dolać płyn do chłodnicy? Uniknij kosztownych błędów!
Problem nie zniknął po wymianie? Poznaj inne możliwe przyczyny awarii wentylatora
Jeśli po wymianie przekaźnika wentylator nadal nie działa, to znak, że problem leży gdzie indziej. Oto inne możliwe przyczyny awarii wentylatora, które warto sprawdzić:
- Uszkodzony silnik wentylatora: Sam silnik wentylatora mógł się spalić lub zużyć.
- Wadliwy czujnik temperatury płynu chłodzącego: Jeśli czujnik nie wysyła prawidłowego sygnału o temperaturze, wentylator nie zostanie aktywowany.
- Uszkodzone okablowanie lub złącza: Przerwa w przewodach, skorodowane styki lub luźne złącza mogą uniemożliwić przepływ prądu do wentylatora.
- Problem z modułem sterującym (ECU/BCM): W nowoczesnych samochodach to sterownik silnika lub moduł komfortu odpowiada za aktywację wentylatora. Jego awaria to już poważniejszy problem.
- Zapchana chłodnica: Chociaż nie jest to bezpośrednia przyczyna niedziałającego wentylatora, zapchana chłodnica (zewnętrznie brud, liście; wewnętrznie kamień) może prowadzić do przegrzewania silnika, nawet jeśli wentylator działa prawidłowo.
